產品介紹
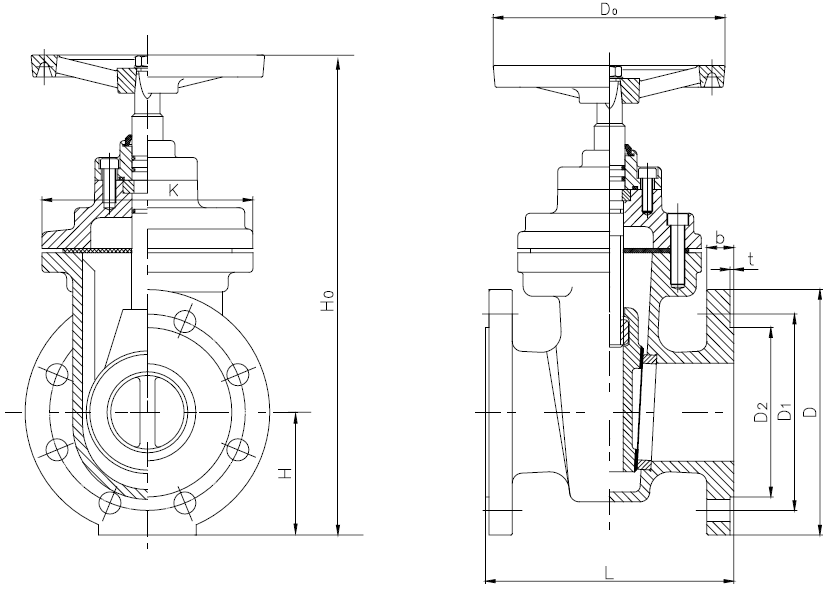
產品名稱:硬密封暗桿閘閥
產品型號:CZPS45T
連接方式:法蘭式
規格:DN15~DN1000;
壓力:PN16;
溫度:-5℃-200℃;
材質:鑄鐵;
硬密封暗桿閘閥用途概述:
硬密封暗桿閘閥廣泛適用用于石油、化工、制藥、電力、燃氣等行業,在公稱壓力≤1.0Mpa的氣、水、油品等介質的管路上,作啟閉用。
硬密封暗桿閘閥的特點:
1、流體阻力小 , 密封面受介質的忡刷和侵蝕小。
2、開閉較省力。
3、介質流向不受限制 , 不擾流、不降低壓力。
4、形體簡單 , 結構長度短,制造工藝性好,適用范圍廣。


TEL:

E-mail us
PDF Download
Inquiry





